Play Icon
Please to watch this video
Industrial inkjet printer

Markoprint integra PP 108 bicolor

Two-colour large character printer for print heights up to 108 mm without offset

  • For two-colour labeling, e.g. GHS symbols
  • Print height up to 108 mm, print resolution up to 360 dpi
  • Achieves print speeds of up to 150 m/min
  • Ideal for absorbent surfaces, e.g. cardboard packaging
  • Internal ink tanks with 750 ml ink supply

Two-colour large character printer as a label alternative

The name of the Markoprint integra PP 108 bicolour already reveals its maximum print height of 108 mm and the option of two-colour printing. The piezo inkjet printer realises the large character printing required in many industries without offset and prints high-resolution texts, 1D barcodes, 2D codes and graphics such as two-colour GHS hazard pictograms. This makes it ideal as a labeling alternative. On request, the Markoprint integra PP 108 bicolour can also print very small, with a minimum print height of one millimetre. The fast text change with more than 50 variable data per second enables product serialisation, which is particularly important for high-speed labeling in the pharmaceutical and cosmetics industries.

The bicolour function for two-colour printing is unique. For example, it enables GHS labeling in black and red with one device; the inkjet printer does not require an additional printhead for this. With the Markoprint integra Command software included in the scope of delivery, you can easily create and manage your print layouts on your PC. In addition to a practical ink consumption calculator, the software has many other functions to make your work easier.

Industrial inkjet printer Markoprint integra PP 108 bicolour for two-colour hazardous substance labeling on carton boxes

Applications

Cardboard
Two-colour GHS-labelled cartons with Markoprint integra PP 108 bicolour inkjet printer
Paper
Markoprint integra PP 108 bicolour two-colour GHS-labelled paper bags with inkjet printer

Special features

Markoprint integra PP 108 ink hose

Flexible and compact design facilitates integration

The ink tank is connected to the printhead with a print tube. The variable length of the pressure hose (0.4 m / 1 m / 3 m) makes it easier to integrate the inkjet system into production, which is particularly helpful in tight spaces. In addition, the ink tank can be positioned above, below or at the same height as the printhead, regardless of its height, which creates a great deal of flexibility when integrating it into new or existing processes.

Markoprint integra PP 108 easy venting for clean print images

Recirculating ink system ensures simple venting

The printer starts circulating the ink automatically at start-up. This removes any air that may be in the print tube or printhead. The feed and return pumps prevent air from collecting in the printhead during operation and keep the nozzles clear. This guarantees a clean and sharp print image.

Markoprint integra PP 108 bicolor hazard symbols

Two-colour printing with just one system

Various ink colours (black, red, blue and green) are available for two-colour printing on absorbent substrates. A pigmented, mineral oil-free ink (MOF, Mineral Oil Free) is also available, which is suitable for printing on absorbent surfaces in the food industry. Non-absorbent surfaces can be printed with UV ink. It hardens under UV light within a short time and provides an abrasion-resistant print result, e.g. on painted surfaces.

Markoprint integra PP 108 bicolor ink tank

750 ml ink supply

The internal ink tank has a generous capacity of 750 ml, ensuring long operating times without interruption. Thanks to the large volume, frequent refilling of ink is unnecessary, making the entire workflow significantly more efficient. Users benefit from noticeable time savings and reduced maintenance requirements, as printing operations remain smooth and reliable over extended periods.

Markoprint Coding Score

Clear performance levels for flexible and scalable printing solutions

The specially developed Coding Score makes it easier to select and configure Markoprint printing systems. The performance levels – PRINT, BASIC, ADVANCED, PRO, and ULTIMATE – are clearly defined, easy to compare, and vary depending on the system. This creates transparency in decision-making and ensures investment security in a marking solution that can be flexibly expanded at any time. New requirements for production, efficiency, or sustainability can be easily integrated, securing consistently powerful and economical processes.

Technical specifications
Printing specifications
Print
Basic
Advanced
Pro
Ultimate
Printer type
Piezo Ink Jet (PIJ)
Supported printing technology
PP
Print height
1.5 - 108 mm
Vertical print resolution up to
Print
360 dpi
Basic
360 dpi
Advanced
360 dpi
Pro
360 dpi
Ultimate
360 dpi
Print speed up to
Print
30 m/min
Basic
30 m/min
Advanced
60 m/min
Pro
90 m/min
Ultimate
150 m/min
Recommended distance printhead to product
1 mm
Distance from printhead to product
1 - 3 mm
Number of printheads up to
1
Maximum number of production lines
1
Orientation
From left to right, From right to left
Function
Lateral printing, Top printing
Printable content
Print
Text fields, BMP graphics
Basic
Text fields, BMP graphics, Time indication, Date field
Advanced
Barcodes, Text fields, BMP graphics, Counter, Time indication, Date field, Date offset, Input of variables, Fields of action
Pro
Fields of action, Input of variables, Date offset, Date field, Time indication, Counter, BMP graphics, Text fields, 2D codes, Barcodes
Ultimate
Fields of action, Input of variables, Date offset, Date field, Time indication, Counter, BMP graphics, Text fields, 2D codes, Barcodes
Barcodes
Print
Basic
Advanced
Code 2 out of 5, Code 39, Code 128, EAN 8, EAN 13, GS1 Databar, UPC-A, UPC-E
Pro
more on request, UPC-E, UPC-A, QR code, GS1 Databar, GS1 DataMatrix, EAN 13, EAN 8, DataMatrix, Code 128, Code 39, Code 2 out of 5
Ultimate
more on request, UPC-E, UPC-A, QR code, GS1 Databar, GS1 DataMatrix, EAN 13, EAN 8, DataMatrix, Code 128, Code 39, Code 2 out of 5
DBPrint
Print
Basic
Advanced
Pro
Ultimate
PDF direct printing
Fonts
Customized fonts, All Windows fonts
Software requirements
Processor with at least 1 GHz, Interface for connecting the printing device, PC mouse or touchscreen, DirectX 9 or higher with WDDM 1.0 driver, Min. 30 GB hard disk space, 2 GB for 32-bit or 4 GB for 64-bit, Windows 7, 8, 10
Interpreter software
integra Command
Spitting
Ink
Colour
Blue, Green, Red, Black
A maximum of two inks can be used per system.
Composition
Oil formulation
Hardware
Print
Basic
Advanced
Pro
Ultimate
Display
no display
External control panel/display
External Vivid Display
Password protection
Print
Basic
Advanced
Pro
Ultimate
Internal sensor
Sensor signal
NPN, Switching threshold 7V
Shaft encoder signal
Frequency max.150 kHz, Switching threshold 7 V, 24 V voltage, Push-pull or NPN
Status/ Alarm outputs
Print
4
Basic
4
Advanced
4
Pro
4
Ultimate
4
Flash memory expansion as an option
USB memory stick slot
SD memory card slot
PCMCIA slot
WIFI
Print
Basic
Advanced
Pro
Ultimate
interfaces
15-pin SUB-D (connection shaft encoder/sensor/inputs and outputs and optional power supply), Ethernet (TCP/IP), RS-232
Physical aspects
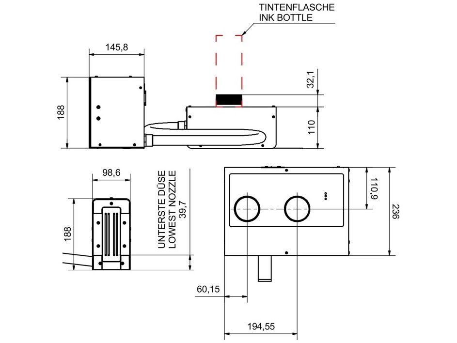
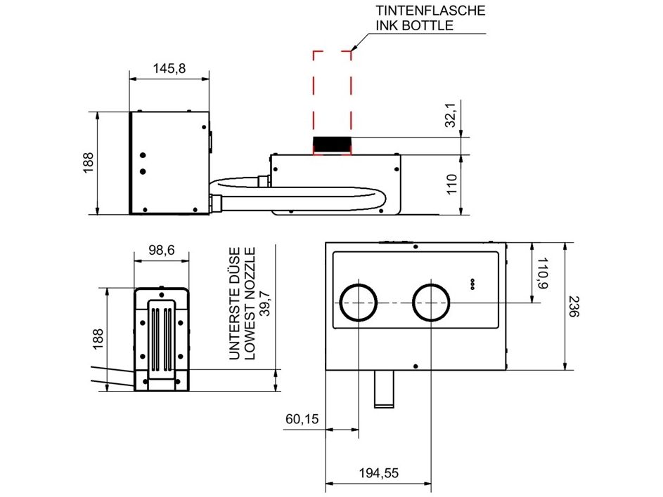
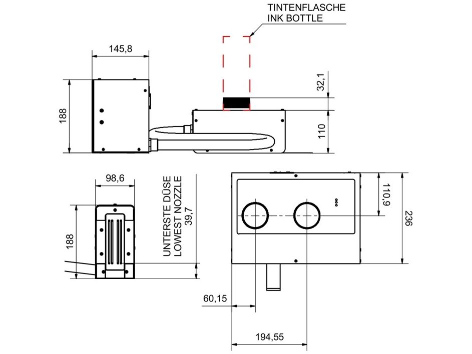
System dimensions (HxWxL)
142 x 236 x 306 mm
Printhead dimensions (H×W×L)
188 x 99 x 146 mm
Hose length min.
0.4 m
Hose length max.
3 m
Weight
10 kg
Authorisations
CE
Rel. humidity non-condensing
30 - 85 %
Ambient temperature
10 - 40°C
Supply voltage
90-240 V
Mains frequency
50-60 Hz
Amperage
1.7 A
Power consumption
150 W